8 (800) 775 40 55
Звонок из регионов России
бесплатный!
бесплатный!
Профессиональный строительный инструмент и оборудование
Каталог инструментов
Станок для резки арматуры Grost RC-40М01
Станок для резки арматуры Grost RC-40М01 (Грост РЦ-40М01) – профессиональный электрический резчик арматуры для точной, безопасной и практически бесшумной резки арматуры в общестроительных и фундаментных работах, процессе производства различных железобетонных изделий, на заводах по производству арматуры, при производстве металлопрокатной продукции.
Производитель: GROST (ГРОСТ) – Россия.
Преимущества станка для резки арматуры Grost RC-40М01:
- Управление резкой осуществляется нажатием рычага или педали
- Электроподключение через четырехконтактный разъем
- Тепловое реле для защиты мотора
- УЗО для защиты оператора
- Механический привод
- Запчасти в наличии
- Гарантия 2 года!
Комплектация:
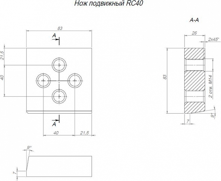
- Станок для резки арматуры Grost RC-40М01
- 2 запасных ножа
- Прокладка подвижного ножа
- Проставки для изменения расстояния между ножами
- Ключи
Цена и технические характеристики станка для резки арматуры Grost RC-40М01:
Арматурорез
-
Желобонакатный станок GruvMaster RG-1X (1-8)Диаметр труб: 1" - 8"Мощность: 0,8 кВтЦена: 187 000 руб.
-
Алмазные коронки по железобетону Kern Diamond Bit Concrete Premium 142 ммДиаметр: 142 ммРабочая длина: 450 ммЦена: 15 500 руб.
-
Алмазная коронка для сухого бурения с микроударом Адель Diamond Hit DH-D400 62 ммДиаметр: 62 ммРабочая длина: 450 ммЦена: 7 200 руб.
-
Коронка алмазная кольцевая по железобетону Kern Diamond Bit Concrete Premium 20 ммДиаметр: 20 ммРабочая длина: 300 - 450 ммЦена: 6 600 руб.
-
Алмазная коронка для сухого бурения с микроударом Адель Diamond Hit DH-D400 132 ммДиаметр: 132 ммРабочая длина: 450 ммЦена: 12 700 руб.
-
Алмазные коронки по железобетону Kern Diamond Bit Concrete Premium 40 ммДиаметр: 40 ммРабочая длина: 450 ммЦена: 6 000 руб.
-
Алмазная коронка для сухого бурения с микроударом Адель Diamond Hit DH-D400 82 ммДиаметр: 82 ммРабочая длина: 450 ммЦена: 9 300 руб.
-
Алмазные коронки по железобетону Kern Diamond Bit Concrete Premium 112 ммДиаметр: 112 ммРабочая длина: 450 ммЦена: 12 100 руб.
Новости
-
26.11.2025Новые поступления для серьёзной работы: спираль и адаптер от Crocodile
-
21.11.2024Поступление желобонакатчиков GruvMaster - Новинка на Российском рынке!
-
27.12.2023С новым 2024 годом!
-
20.12.2022Режим работы в Новогодние праздники
-
12.10.2022ФСБ сообщила о попытке теракта с ПЗРК «Игла» в Подмосковье










Отзывы
Оставьте Ваш отзыв